Whirlpool

Плати керування холодильниками Whirlpool

← Повернутися до списку плат

Плати керування для холодильників Whirlpool. Плати не є повною копією та може відрізнятись від оригінальної по алгоритму роботи, aле забезпечює повноцінну роботу холодильника. Плати, які мають підключення до індикації можуть бути як з блютузом так і без нього.


Whirlpool ARC4020 ARC4030

загальний вигляд


display

Звукове сповіщення

• через 100 секунд, якщо не зачинили двері
зачинити двері для припинення звукового сигналу або натиснути RESET

• Через 4 години подвійний звуковий сигнал кожні 15 секунд, якщо температура в морозилці не стала нижче мінус 8 градусів
відчинити - зачинити двері для припинення звукового сигналу або натиснути RESET (відлік 4 годин піде спочатку)


застосунок для майстра та важлива інформація

для майстра

Використовуйте будь-який блютуз термінал. Наприклад Serial Bluetooth Terminal на Play Market. Тут можна побачити повну картину роботи холодильника, а також робити налаштування та деякі зміни.

Перша відтайка почнеться через 120 хвилин після переходу датчика відтайки в положення "On", наступні відтайки кожні 600 хвилин. Завершення активної фази відтайки при перемиканні датчика відтайки в "Off", але не більше 40 хвилин.
Прошито під датчик Whirlpool 10к.

КомандаОпис
80Вкл/Викл звук
51 .. 59Змінити мінимальну паузу між вмиканнями компресора від 1 до 9 хвилин, а також це буде часом краплепадіння після відтайки
195 .. 205Виправити похибку датчика об'єму морозильної камери -5 .. +5
73Примусова відтайка. Почнеться при положенні датчика відтайки в "On".





Whirlpool ARC4010

загальний вигляд

Застосунки для телефона


Версія для клієнта

для клієнта

Можна встановити клієнту додаток керування температурою на телефон з ОС Android. Цей додаток призначений саме для клієнтів, тут немає нічого зайвого.

Важливо!
Плата холодильника може бути одночасно під'єднана тільки до одного пристрою/застосунку.


Версія для майстра та важлива інформація

для майстра

Використовуйте будь-який блютуз термінал. Наприклад Serial Bluetooth Terminal на Play Market. Тут можна побачити повну картину роботи холодильника, а також робити налаштування та деякі зміни.

Перша відтайка почнеться через 120 хвилин після переходу датчика відтайки в положення "On", наступні відтайки кожні 600 хвилин. Завершення активної фази відтайки при перемиканні датчика відтайки в "Off", але не більше 40 хвилин.
Прошито під датчик Whirlpool 10к.

Важливо!
В цій платі не задіяна велика кнопка, що знаходиться на панелі між холодильним та морозильним відділенням. Температуру в морозильній камері можна встановлювати тільки через блютуз.

КомандаОпис
15 .. 25Встановлення температури в морозильній камері -15 .. -25
51 .. 59Змінити мінимальну паузу між вмиканнями компресора
195 .. 205Виправити похибку датчика
73Примусова відтайка
76Скинути лічильник до відтайки. Відлік до відтайки почнеться з початку.





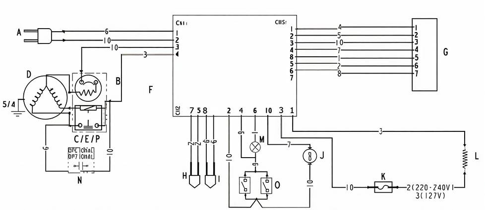
Whirlpool ARC

загальний вигляд

display
блок схема

Звукове сповіщення

• через 100 секунд, якщо не зачинили двері
зачинити двері для припинення звукового сигналу або натиснути RESET

• Через 4 години подвійний звуковий сигнал кожні 15 секунд, якщо температура в морозилці не стала нижче мінус 8 градусів
відчинити - зачинити двері для припинення звукового сигналу або натиснути RESET (відлік 4 годин піде спочатку)


Версія для майстра та важлива інформація

для майстра

Використовуйте будь-який блютуз термінал. Наприклад Serial Bluetooth Terminal на Play Market. Тут можна побачити повну картину роботи холодильника, а також робити налаштування та деякі зміни.

Перша відтайка почнеться через 120 хвилин після досягнення +2 градусів на випарнику, наступні відтайки кожні 600 хвилин. Завершення активної фази відтайки +10, але не більше 40 хвилин.
Прошито під датчик Whirlpool 2,7к.

КомандаОпис
15 .. 25Встановлення температури в морозильній камері -15 .. -25. Ця команда доступна при програмно вимкненому модулю індикації
30Вкл/Викл модуль індикації програмно
80Вкл/Викл звук
51 .. 59Змінити мінимальну паузу між вмиканнями компресора від 1 до 9 хвилин, а також це буде часом краплепадіння після відтайки
195 .. 205Виправити похибку датчика об'єму морозильної камери -5 .. +5
305 .. 320 Змінити температуру закінчення відтайки +5 .. +20
73 Примусова відтайка. Почнеться при температурі на випарнику +2 градуса або нижче.
76 Скинути лічильник до відтайки. Відлік до відтайки почнеться з початку.





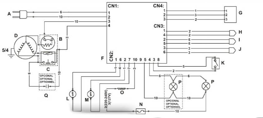
Whirlpool ARC4190 та подібні з двома вентиляторами на 24в

загальний вигляд

блок схема

Звукове сповіщення

• через 100 секунд, якщо не зачинили двері, через цей час також погасне світло
зачинити двері для припинення звукового сигналу

• Через 4 години подвійний звуковий сигнал кожні 15 секунд, якщо температура в морозилці не стала нижче мінус 8 градусів, або температура в холодильній камері не стала нижче +15 градусів
відчинити - зачинити двері для припинення звукового сигналу (відлік 4 годин піде спочатку)


Застосунки для телефона


Версія для клієнта

для клієнта

Можна встановити клієнту додаток керування температурою на телефон з ОС Android. Цей додаток призначений саме для клієнтів, тут немає нічого зайвого.

Важливо!
Плата холодильника може бути одночасно під'єднана тільки до одного пристрою/застосунку.


Версія для майстра та важлива інформація

для майстра

Використовуйте будь-який блютуз термінал. Наприклад Serial Bluetooth Terminal на Play Market. Тут можна побачити повну картину роботи холодильника, а також робити налаштування та деякі зміни.

Перша відтайка почнеться через 120 хвилин після досягнення +2 градусів на випарнику, наступні відтайки кожні 600 хвилин. Завершення активної фази відтайки +12, але не більше 40 хвилин.

Прошито під датчик Whirlpool 2,7к.
Вентилятор в морозильній камері вмикається після трьох хвилин після компресора.

Важливо!
Ця плата потребує окремого живлення постійного струму 24в. (150ма плата + 2 вентилятора + запас)

КомандаОпис
1 .. 9 Встановлення температури в холодильній камері +1 .. +9
15 .. 25 Встановлення температури в морозильній камері -15 .. -25
80Вкл/Викл звук
51 .. 59Змінити мінимальну паузу між вмиканнями компресора від 1 до 9 хвилин, а також це буде часом краплепадіння після відтайки
195 .. 205Виправити похибку датчика об'єму холодильної камери -5 .. +5
305 .. 320 Змінити температуру закінчення відтайки +5 .. +20
73 Примусова відтайка. Почнеться при температурі на випарнику +2 градуса або нижче.
76 Скинути лічильник до відтайки. Відлік до відтайки почнеться з початку.





Whirlpool ARC6700 та подібні з клапаном та вентилятором в ХК на 24в

загальний вигляд

блок схема
блок схема

Звукове сповіщення

• через 100 секунд, якщо не зачинили двері, через цей час також погасне світло
зачинити двері для припинення звукового сигналу

• Через 4 години подвійний звуковий сигнал кожні 15 секунд, якщо температура в морозилці не стала нижче мінус 8 градусів, або температура в холодильній камері не стала нижче +15 градусів
відчинити - зачинити двері для припинення звукового сигналу (відлік 4 годин піде спочатку)


Застосунки для телефона


Версія для клієнта

для клієнта

Можна встановити клієнту додаток керування температурою на телефон з ОС Android. Цей додаток призначений саме для клієнтів, тут немає нічого зайвого.

Важливо!
Плата холодильника може бути одночасно під'єднана тільки до одного пристрою/застосунку.


Версія для майстра та важлива інформація

для майстра

Використовуйте будь-який блютуз термінал. Наприклад Serial Bluetooth Terminal на Play Market. Тут можна побачити повну картину роботи холодильника, а також робити налаштування та деякі зміни.

Прошито під датчик Whirlpool 2,7к.
Важливо!
Ця плата потребує окремого живлення постійного струму 24в. (150ма плата + вентилятор + запас)

КомандаОпис
1 .. 9 Встановлення температури в холодильній камері +1 .. +9
15 .. 25 Встановлення температури в морозильній камері -15 .. -25
80Вкл/Викл звук
51 .. 59Змінити мінимальну паузу між вмиканнями компресора від 1 до 9 хвилин
195 .. 205Виправити похибку датчика об'єму холодильної камери -5 .. +5
61 .. 69Змінити температуру випарника холодильної камери +1 .. +9, це та температура, при котрій можна вважати що випарник вже відтаяв.